10/100 Base-T Integrated Magnetics Connector

Download Datasheet
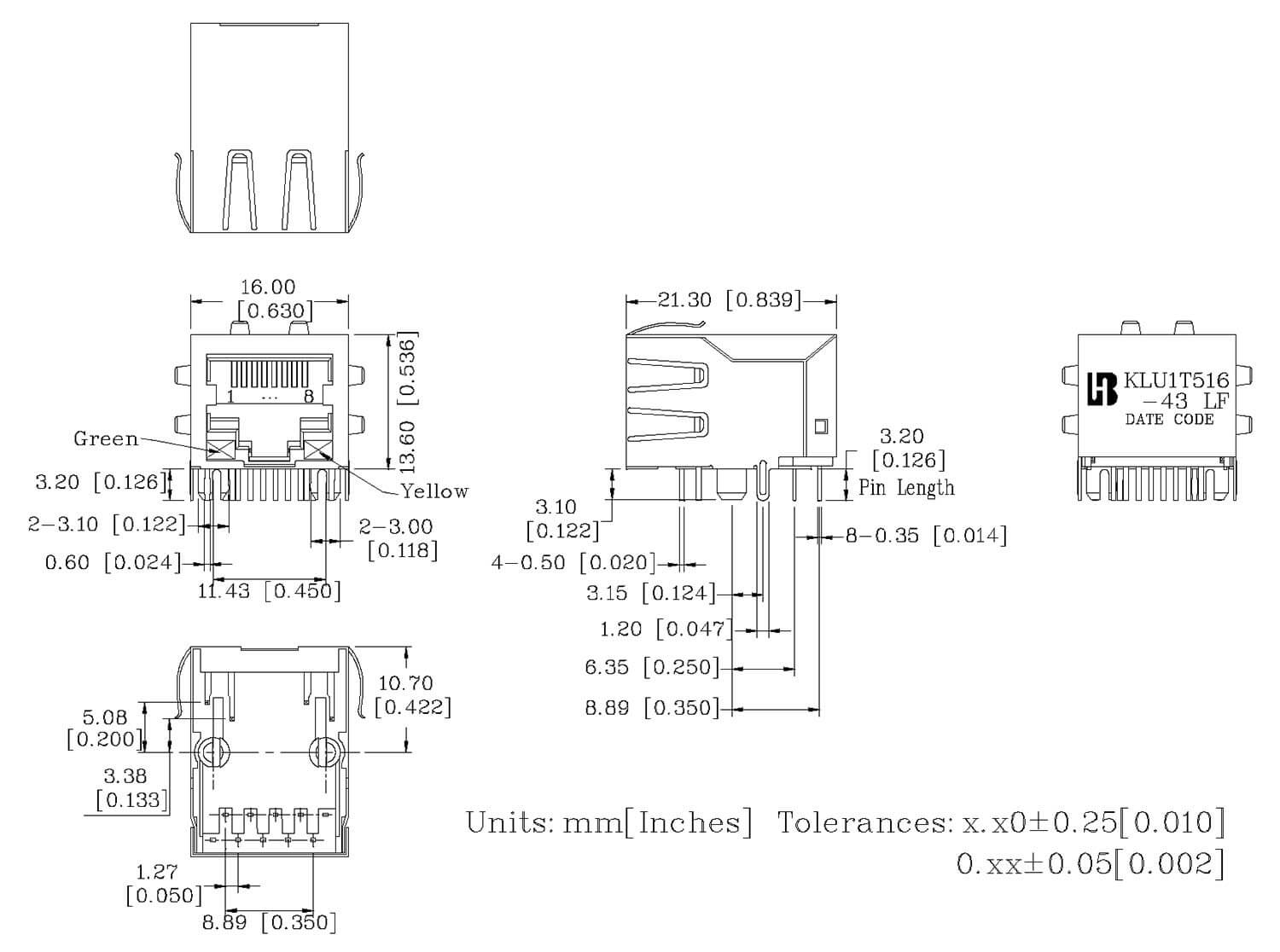
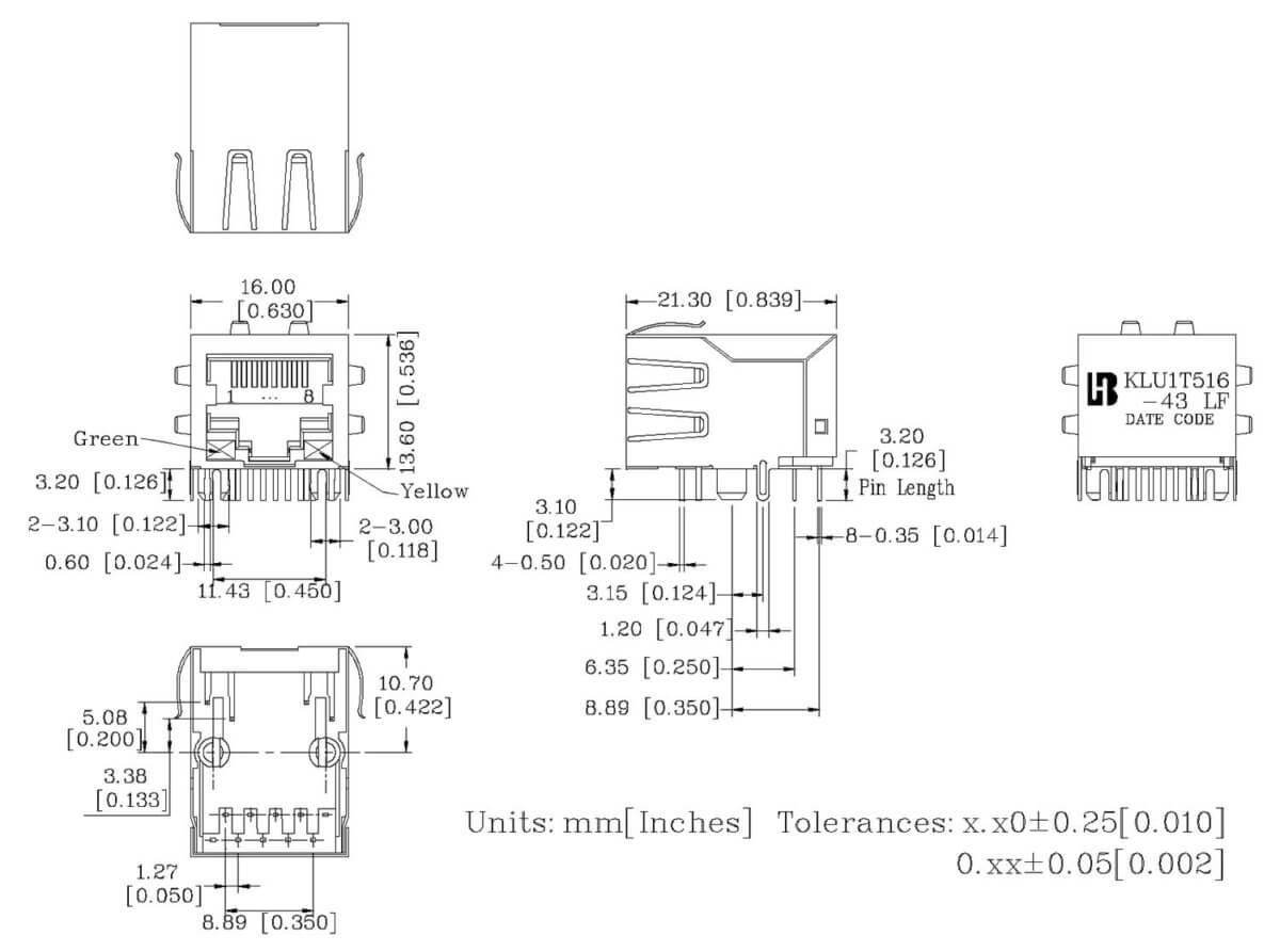
KLU1T516-43 LF
KLU1T516-43 LF
  • RJ-45 needs to be matched FCC standard.
  • Complies with requirement of IEEE 802.3u standards.
  • RJ-45 connector integrated with transformer / impedance resistor / high voltage capacitor.
  • Size same as RJ-45 connector to save PCB board space.
  • Reduced EMI radiation to improve EMI performance.
  • Design for 10/100 BASE transmission over UTP-5 cable.
  • Compliance with ROHS requirements.
  • Operating temperature range: 0°C to +70°C.
  • Storage temperature range: -25°C to +85°C.
  • Recommended panel:
Part NumberStandard LEDForward*V(Max)(TYP)
3Yellow2.6V2.1V
4Green2.6V2.2V

*with a forward current of 20mA

 

LED’sGreen & Yellow
 Transmission Speed 10/100 Base-T
 Operating Temperature Range –0℃ to +70℃
 Storage Temperature Range -25℃ to +85℃

 

Schematic Diagram

klu1t516-43 lf schematic

Mechanical Drawing

klu1t516-43 lf mechanical

PCB Layout Mounting

klu1t516-43 lf pcb layout mounting